
AKH-0.66系列電流互感器
聯系我們
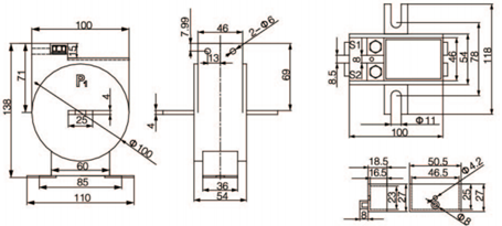
● LQZJ4-0.66(AKH-0.66/Q)型計量用電流互感器
功能:
應用范圍:
電能計量回路。訂貨范例:
具體型號:LQZJ4-0.66/30 300A/5A
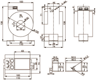
● LMZD-0.66(AKH-0.66ZD系列計量型電流互感器
功能:
應用范圍:
供電系統計量訂貨范例:
具體型號:AKH-0.66/ZD1 200A/5A
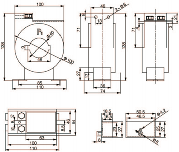
● AKH-0.66/J系列計量型電流互感器
功能:
應用范圍:
低壓配電系統測量、計量用訂貨范例:
具體型號:AKH-0.66/J-30I 150A/5A
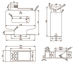
● AKH-0.66/H系列電流互感器
功能:
應用范圍:
變壓器低壓測量訂貨范例:
具體型號:AKH-0.66/H-220×165 6000A/5A● LQZJ4-0.66(AKH-0.66/Q)型計量用電流互感器
| 規格型號 | 額定一次電流 (A) | 額定二次電流比(A) | 準確級 | 額定負荷(VA) | 短時熱穩定電流(kA) | 短時動穩定電流(kA) |
| LQZJ4-0.66/30 | 30-300 | 5 | 0.2S級 | 10 | 50 | 100 |
| LQZJ4-0.66/40 | 400-800 | |||||
| LQZJ4-0.66/50 | 1000-1500 |
● LMZD-0.66(AKH-0.66ZD系列計量型電流互感器
LFZ1-0.66(AKH-0.66FZ1)
| 額定一次電流(A) | 額定二次電流比(A) | 準確級 | 短時熱穩定電流(kA) | 短時動穩定電流(kA) | |
| 0.2S級 | 0.5S級 | ||||
| 10、15、20、25、 30、40、50、60 | 5、1 | 10VA | 50倍 額定一次電流 | 100倍 額定一次電流 | |
LMZD1-0.66(AKH-0.66ZD1)
| 規格 | 額定電流比(A) | 準確級 | 穿心匝數 | 母排規格/根數 | 電纜最大外徑(mm) | |
| 0.2S級 | 0.5S級 | |||||
| LMZD1-0.66 (AKH-0.66ZD1) | 75/5(1) | 5VA | 1 | 30×6/1 | Φ30 | |
| 100-200/5(1) | 10VA | |||||
LMZD2-0.66(AKH-0.66ZD2)
| 規格 | 額定電流比(A) | 準確級 | 穿心匝數 | 母排規格/根數 | 電纜最大外徑(mm) | |
| 0.2S級 | 0.5S級 | |||||
| LMZD2-0.66 (AKH-0.66ZD2) | 200/5(1) | 5VA | 1 | 40×8/1 | Φ40 | |
| 250-600/5(1) | 10VA | |||||
LMZD3-0.66(AKH-0.66ZD3)
| 規格 | 額定電流比(A) | 準確級 | 穿心匝數 | 母排規格/根數 | |
| 0.2S級 | 0.5S級 | ||||
| LMZD3-0.66 (AKH-0.66ZD3) | 600/5(1) | 5VA | 1 | 80×10/1-2 | |
| 800/5(1) | 10VA | ||||
LMZD4-0.66(AKH-0.66ZD4)
| 規格 | 額定電流比(A) | 準確級 | 穿心匝數 | 母排規格/根數 | |
| 0.2S級 | 0.5S級 | ||||
| LMZD4-0.66 (AKH-0.66ZD4) | 800/5(1) | 5VA | 1 | 100×10/1-3 | |
| 1000-1500/5(1) | 10VA | ||||
● AKH-0.66/J系列計量型電流互感器

● AKH-0.66/H系列電流互感器

● LQZJ4-0.66(AKH-0.66/Q)型計量用電流互感器

● LMZD-0.66(AKH-0.66ZD系列計量型電流互感器
LFZ1-0.66(AKH-0.66FZ1)

LMZD1-0.66(AKH-0.66ZD1)

LMZD2-0.66(AKH-0.66ZD2)

LMZD3-0.66(AKH-0.66ZD3)

LMZD4-0.66(AKH-0.66ZD4)

● AKH-0.66/J系列計量型電流互感器

● AKH-0.66/H系列電流互感器

AKH-0.66ZD(LMZD-0.66)系列計量型電流互感器

AKH-0.66/J系列電流互感器

AKH-0.66/H系列電流互感器

