
ARFD系列防火門監控系統
聯系我們


防火門監控裝置
AFRD防火門監控系統集中控制其各終端設備即防火門監控模塊、電動閉門器、電磁釋放器的工作狀態,實時監測疏散通道防火門的開啟、關閉及故障狀態,顯示終端設備開路、短路等故障信號。系統采用消防二總線將具有通信功能的監控模塊相互連接起來,當終端設備發生短路、斷路等故障時,防火門監控器能發出報警信號,能指示報警部位并保存報警信息,保障了電氣安全的可靠性。應用范圍:
適用于機場、軌道交通、隧道、客運樞紐、醫院、學校、體育館、展覽館、星級酒店、高端商業樓盤等場所。訂貨范例:
具體型號:AFRD-CK1AFRD防火門監控模塊
| 類別 | 描述 |
| 工作電壓 | DC24V |
| 控制信號輸出 | DC24V,0.17A |
| 通訊方式 | 二總線 |
| 環境溫度 | -10℃~+55℃ |
| 相對濕度 | ≤95%RH |
| 外形尺寸 | 100*100*35(H*W*D)mm |
| 安裝方式 | 明裝 |
AFRD-MC 門磁開關
| 類別 | 描述 |
| 環境溫度 | -10℃~+55℃ |
| 相對濕度 | ≤95%RH |
| 安裝方式 | 每扇防火門獨裝 |
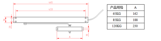
AFRD-BMQ電動閉門器
| 類別 | 描述 |
| 工作電壓 | DC24V |
| 供電方式 | 通訊線供電 |
| 適用門型 | 常開防火門 |
| 環境溫度 | -10℃~+55℃ |
| 相對濕度 | ≤95%RH |
| 安裝方式 | 每扇防火門獨裝 |
AFRD-DC電磁釋放器
| 類別 | 描述 |
| 工作電壓 | DC24V |
| 供電方式 | 通訊線供電 |
| 適用門型 | 常開防火門 |
| 環境溫度 | -10℃~+55℃ |
| 相對濕度 | ≤95%RH |
| 安裝方式 | 電磁體安裝在墻面上,吸板安裝于門上 |

AFRD-CK1/CK2常開單/雙扇防火門監控模塊

AFRD-CB1/2常閉單/雙扇防火門監控模塊

AFRD-MC 門磁開關

AFRD-BMQ電動閉門器

AFRD-DC電磁釋放器








工程案例
MORE+